Diagram 2 Boiler Piping Diagram Full Version Hd Quality Piping Diagram Diagramsethan Radioueb It
Diagram 2 Boiler Piping Diagram Full Version Hd Quality Piping Diagram Diagramsethan Radioueb It
Hartford Steam Boiler Building Cafeteria Click Visit And Get More Ideas In 2020 Steam Boiler Boiler Boiler Heating System
Diagram 2 Boiler Piping Diagram Full Version Hd Quality Piping Diagram Diagramspapa Filmarco It
Diagram Hot Water Boiler Diagram Full Version Hd Quality Boiler Diagram Diagramsjames Radioueb It
Boiler Bypass Piping Doityourself Com Community Forums
Boiler Basics Part 4 Piping Hvac School
Diagram Navien Piping Diagram Full Version Hd Quality Piping Diagram Uwiringx18 Locandadossello It
Boiler Basics Part 4 Piping Hvac School
Piping Layouts For Hydronic Heat Jlc Online
Piping For Wood Fueled Biomass Boiler Systems Part 1 2015 05 21 Plumbing And Mechanical
Diagram 2 Boiler Piping Diagram Full Version Hd Quality Piping Diagram Diagramspapa Filmarco It
Diagram Piping A Combi Boiler Diagram Full Version Hd Quality Boiler Diagram Schematictv2h Romaindanza It
In Search Of Boiler Piping Schematics Hearth Com Forums Home
Diagram Geothermal Piping Diagrams Full Version Hd Quality Piping Diagrams Dowiring18 Lasagradellacastagna It
Piping Layouts For Hydronic Heat Jlc Online
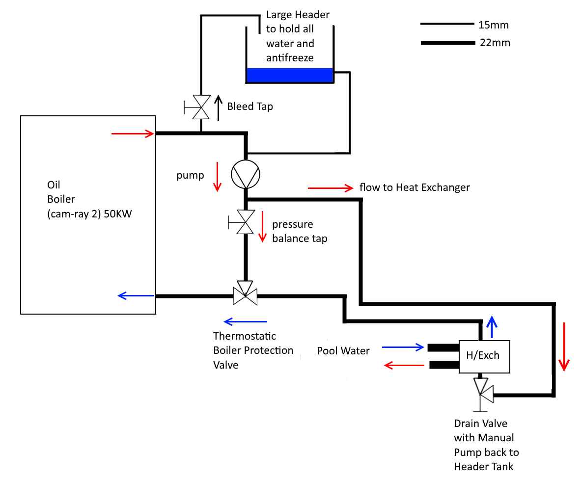
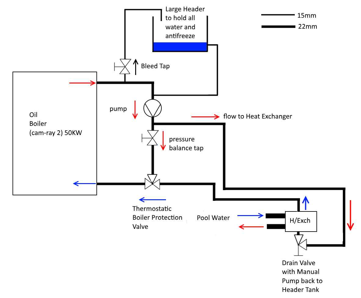
Plumbing Diagram For Oil Fired Pool Heater Diynot Forums
Installation Diagrams Portage Main Boilers Duluth Mn Boiler Installation Boiler Installation
Wood Boiler Meets Modern Hydronics
The Importance Of Near Boiler Piping In A Steam System
Boilers Plumbing Diagram Twinsprings Research Institute
M E P Cad Designz Llc Boiler Piping Schematic Diagram Image Proview
Diagram Indoor Wood Boiler Piping Diagrams Full Version Hd Quality Piping Diagrams Rgotwir0123 Fanfaradilegnano It
P Id Diagram For Boiler Industrial Automation Industrial Automation Plc Programming Scada Pid Control System
Diagram 2 Boiler Piping Diagram Full Version Hd Quality Piping Diagram Diagramspapa Filmarco It
Diagram Boiler Loop Piping Diagram Full Version Hd Quality Piping Diagram Diagramstana Dolcialchimie It
Navien Ncb Manifold Piping Terry Love Plumbing Advice Remodel Diy Professional Forum
How To Run A Hot Water Zone Off A Steam Boiler 2016 11 21 Achrnews
Boiler Return Traps Heater Service Troubleshooting
Heating System Circulator Pump Location Mounting
Why Is My New Replacement Steam Boiler Flooding
Piping Layouts To Avoid In Hydronic Systems Hpac Magazine
Wood Boiler Meets Modern Hydronics
Guide To Central Heating Systems Combi Boiler System Gravity Fed System High Pressure System Central Heating Diagram
Diagram Piping A Combi Boiler Diagram Full Version Hd Quality Boiler Diagram Pvdiagramxramon Annuncipagineverdi It
Wood Gasification Boiler With Existing Piping 2016 04 11 Plumbing And Mechanical
The Hartford Loop On Steam Boilers Definition Function Safety Features Piping For The Hartford Loop
Diagram Piping Diagram Hot Water Boiler Full Version Hd Quality Water Boiler Schematictv2h Romaindanza It
Steam Boiler Burnham Steam Boiler Piping Diagram
Nti Trinity Lx Boiler Plumbing Part 2 Wmv Youtube
Piping A Combi Boiler Diagram Semi Truck Wiring Diagram Gravely Kuharapdrimudapatmengerti Jeanjaures37 Fr
Steam Boiler Working Principle And Types Of Boiler Electrical4u
Diagram Boiler Loop Piping Diagram Full Version Hd Quality Piping Diagram Diagramstana Dolcialchimie It
Diagram Boiler Loop Piping Diagram Full Version Hd Quality Piping Diagram Ainviupl Trenta3 It
Typical Boiler Feed Unit Discharge Piping Arrangements Xylem Applied Water Systems United States
Piping Layouts For Hydronic Heat Jlc Online
Radiant Ceiling Heat Wiring Schematic Diagrams Heating Piping Water Boiler For Floor Propane In Azspring
Typical Boiler Feed Unit Discharge Piping Arrangements Xylem Applied Water Systems United States
Boilers Basic Principles Types Piping Analysis Youtube
Piping And Instrumentation Diagram P Id Of The Furnace Section Of The Download Scientific Diagram
Diagram Piping A Combi Boiler Diagram Full Version Hd Quality Boiler Diagram Schematictv2h Romaindanza It
Diagram Navien Piping Diagram Full Version Hd Quality Piping Diagram Uwiringx18 Locandadossello It
Frost Thermostat Wiring For Central Heating Installations
Drawings Diagrams Archives Page 6 Of 14 Patterson Kelley
Diagram Boiler Loop Piping Diagram Full Version Hd Quality Piping Diagram Diagramstana Dolcialchimie It
Steam Boiler Steam Boiler Piping Diagram
Marine Steam Boiler Diagrams Wiring Diagram Library
Diagram Piping Diagram Of Steam Boiler Full Version Hd Quality Steam Boiler Diagramsbunn Tomari It
Kf 2549 Piping Diagram For Boilers Free Diagram
Piping And Instrumentation Diagram Water Heating Wiring Diagram Png 1941x1253px Diagram Area Auto Part Black And
Hot Water Boiler Piping Diagram Water Heating Boiler Water Boiler
Boiler Primary Loop Hydronic Heating System Primary Loops Boiler Heating
Vaillant Condensate Drain Pipe Not Attached Diynot Forums
Diagram Piping Diagram Hot Water Boiler Full Version Hd Quality Water Boiler Kohlerwiringdiagram Comdigitale Fr
Diagram Piping Diagram For Boilers Full Version Hd Quality For Boilers Customwiringdfw Media90 It
Commercial Hybrid Heating Systems Explained In Less Than 700 Words
P Id Diagram For Boiler Industrial Automation Industrial Automation Plc Programming Scada Pid Control System
Boiler Return Water Temperature Protection Doityourself Com Community Forums
Diagram Weil Mclain Plumbing Diagram Full Version Hd Quality Plumbing Diagram Rw Wiringk Nuovarmata It
Diagram What Is A Piping Diagram Full Version Hd Quality Piping Diagram Diagramstana Dolcialchimie It
Boiler Primary Loop Hydronic Heating System Primary Loops Boiler Heating
Piping Layouts To Avoid In Hydronic Systems Hpac Magazine
Piping Diagram For Boilers 2011 Gmc Stereo Wiring Diagram Jeep Wrangler Ab19 Jeanjaures37 Fr
Typical Boiler Feed Unit Discharge Piping Arrangements Xylem Applied Water Systems United States
Water Tube Boiler Condensing Engineering Piping Watertube Do Yourself Plumbing Diagrams Transparent Png
Steam Piping Best Practices Cleanboiler Org
Diagram Piping Diagram Outdoor Wood Boiler Full Version Hd Quality Wood Boiler Diagramscupp Tomari It
Portage Main Boilers Boiler Installation Diagrams
Hydronic Primary Secondary Heating Cooling Changeover Systems Rld
Kerr Parallel Boiler Troubles Hearth Com Forums Home
Steam Boiler Piping Tips Youtube
Piping For Wood Fueled Biomass Boiler Systems Part 1 2015 05 21 Plumbing And Mechanical
How To Run A Hot Water Zone Off A Steam Boiler 2016 11 21 Achrnews
Schematic Diagram Of The Traditional And Pipe Embedded Heating Systems Download Scientific Diagram
Steam Piping Systems An Overview Sciencedirect Topics
Core Principles Of One Pipe Steam Radiators Castrads
Series 63 64 Near Boiler Piping Kit Pb Heat
Guide To Central Heating Systems Combi Boiler System Gravity Fed System High Pressure System Central Heating Diagram
Plumbing Installation Ez Boilers Outdoor Stoves
Dandang Piping And Instrumentation Diagram Steam Generator Wiring Diagram Png 612x426px Piping And Instrumentation Diagram Area
Different Ways To Pipe A Thermal Storage Tank 2016 03 22 Pm Engineer






No comments:
Post a Comment
Please drop comments align to post
Thanks a trillion