Download Images Library Photos and Pictures. Dc Motor Reversing Circuit Circuit Diagrams Schematics Electronic Projects Diagram Wiring Diagram For 12v Forward Reverse Motor Full Version Hd Quality Reverse Motor Diagramlottsy Ilfannullone It Forward Reverse Motor Control Diagram For 3 Phase Motor Electrical Online 4u Reverse Basic Electrical Wiring Electrical Diagram Wiring Two Spdt Relays To Operate A 12v Dc Motor Forwards And Back Electrical Engineering Stack Exchange
. Change Direction Of 12v Dc Motor Rotation Using Relay Electrical Engineering Stack Exchange Speed Controls 4 Jan 2003 Need Help Wiring Relay For Motor Reverse General Electric Imp Forums
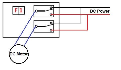
Easiest Way To Reverse Electric Motor Directions Robot Room
Easiest Way To Reverse Electric Motor Directions Robot Room
220v Forward Reverse Motor Control Board Two Relay Delay Timing Cycle Module Amazon Co Uk Business Industry Science
Tesla Institute Electrical Engineering Electronics Automation School Dc Motor Control Forward Reverse With One Relay Facebook
Jones On Induction Motor Control
Dc Motor Forward Reverse Control Using Relay Module Youtube
How To Wire A Motor And Two Relays To Get Reverse Action From The Motor Quora
Diagram Forward Reverse Wiring Diagram Dc Motor Full Version Hd Quality Dc Motor Tkwiring Mddiego It
Turning Round Phase Induction Motors Forward Reverse Wiring Diagram Circuit Diagram Diagram Reverse
Forward Reverse Motor Control Diagram For 3 Phase Motor Electrical Online 4u Reverse Basic Electrical Wiring Electrical Diagram
Need Help Wiring Relay For Motor Reverse General Electric Imp Forums
Diagram Blower Motor Relay Diagram Full Version Hd Quality Relay Diagram Staplerdiagraml Alpoggioantico It
Pin By Nhan On Electronic Engineering In 2020 Electrical Circuit Diagram Diagram Timer
3 Phase Motor Control Using Plc Ladder Logic Plc Tutorials Point
Two Speeds Two Directions Multispeed 3 Phase Motor Power Control Diagrams Electrical Technology
Tesla Institute School Of Electrical Engineering Electronics Automation And Computer Technology Relay Logic Motor Control Forward Reverse With Time Delay Relay
Forward Reverse 3 Phase Ac Motor Control Circuit Diagram Electrical Engineering Updates Circuit Diagram Electrical Circuit Diagram Electrical Diagram
Ac 220v Single Phase Motor Control Using Relay Electrical Engineering Stack Exchange
Jones On Induction Motor Control
Ec501 Embedded System Applications Dc Motor Control Using Pic
Wiring Diagram Forward Reverse For 3 Phase Motor My Electrical Diary




No comments:
Post a Comment
Please drop comments align to post
Thanks a trillion