[Download 25+] Nokia 1280 Schematic Diagram Free Download - Opritek

Opritek blog is a blog for Blogging tips | life hacks tips |gospel articles | educational |news

YOUTUBE CHANNEL

WHATSAPP CHANNEL

click the drop down menu to read blog in your preferred language

Sunday, 31 October 2021

[Download 25+] Nokia 1280 Schematic Diagram Free Download

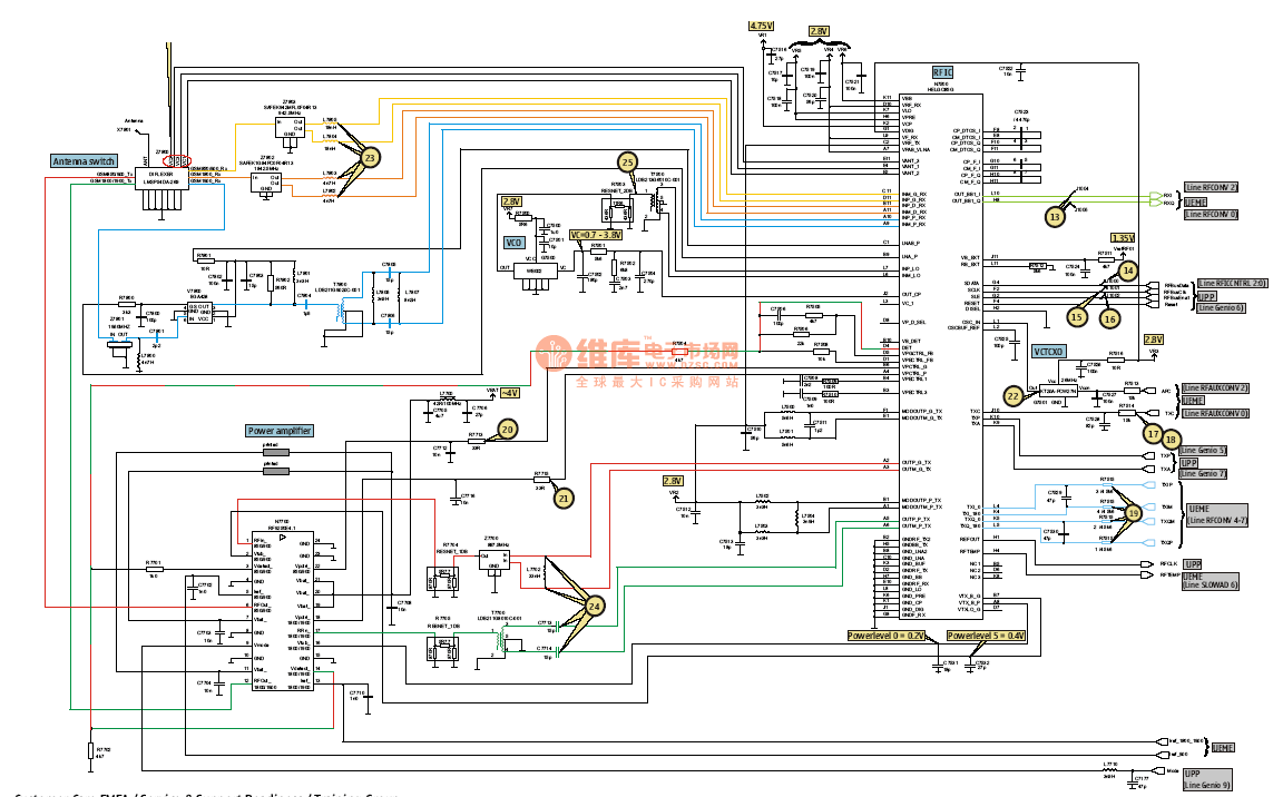
Get Images Library Photos and Pictures. Diagram Nokia 1280 Schematic Diagram Download Wiring Diagram Full Version Hd Quality Wiring Diagram Classdiagramevent Saluteintoscana It Diagram Nokia N72 Schematic Diagram Full Version Hd Quality Schematic Diagram Blogxmoye Achatsenchine Fr Nokia 1280 Schematic Diagram Roomgenerous Nokia 1280 Circuit Diagram Lasopaold

. Diagram 4 Wire Stove Schematic Diagram Full Version Hd Quality Schematic Diagram Aawiringloom27 Ulivodisempre It Diagram Nokia 1280 Schematic Diagram Full Version Hd Quality Schematic Diagram Iphonemobilefix Primacasa Immobiliare It Ld 6884 Nokia Circuit Diagram Pdf Download Diagram

Nokia 1280 Schematic Diagram Bidsever S Blog Nokia 1280 Schematic Diagram Bidsever S Blog

Nokia 1280 Schematic Diagram Bidsever S Blog

Nokia 1280 Schematic Diagram Bidsever S Blog

Diagram Diagram Of Nokia 1280 Full Version Hd Quality Nokia 1280 Diagramstogo Agorasup Fr Diagram Diagram Of Nokia 1280 Full Version Hd Quality Nokia 1280 Diagramstogo Agorasup Fr

Awesome Schematic Free Download Sketch Electrical Circuit Diagram Ideas Suaiphone Org Awesome Schematic Free Download Sketch Electrical Circuit Diagram Ideas Suaiphone Org

Nokia 1280 1616 1800 Bsi Line Problem Solution Jumper Ways Battery Jumper Imet Mobile Repairing Institute Imet Mobile Repairing Course Nokia 1280 1616 1800 Bsi Line Problem Solution Jumper Ways Battery Jumper Imet Mobile Repairing Institute Imet Mobile Repairing Course

Diagram Samsung J5 Schematic Diagram Free Download Full Version Hd Quality Free Download Umldiagramarrows Lexibelle Fr Diagram Samsung J5 Schematic Diagram Free Download Full Version Hd Quality Free Download Umldiagramarrows Lexibelle Fr

Nokia 1280 Battery Terminal Points Damage Battery Terminal Nokia Battery Nokia 1280 Battery Terminal Points Damage Battery Terminal Nokia Battery

Diagram Nokia 1280 Repairing Diagram Full Version Hd Quality Repairing Diagram Diagramsilkl Officinapab It Diagram Nokia 1280 Repairing Diagram Full Version Hd Quality Repairing Diagram Diagramsilkl Officinapab It

Diagram Nokia 1280 Repairing Diagram Full Version Hd Quality Repairing Diagram Diagramsilkl Officinapab It Diagram Nokia 1280 Repairing Diagram Full Version Hd Quality Repairing Diagram Diagramsilkl Officinapab It

Nokia 1280 Circuit Diagram Minfasr Nokia 1280 Circuit Diagram Minfasr

Diagram Nokia 1280 Schematic Diagram Download Wiring Diagram Full Version Hd Quality Wiring Diagram Classdiagramevent Saluteintoscana It Diagram Nokia 1280 Schematic Diagram Download Wiring Diagram Full Version Hd Quality Wiring Diagram Classdiagramevent Saluteintoscana It

Diagram Nokia 1280 Schematic Diagram Pdf Download Full Version Hd Quality Pdf Download 99929 Biz Koblenz De Diagram Nokia 1280 Schematic Diagram Pdf Download Full Version Hd Quality Pdf Download 99929 Biz Koblenz De

Diagram Nokia 1280 Mic Jumper Diagram Full Version Hd Quality Jumper Diagram Diagramoldsx Babelemoda It Diagram Nokia 1280 Mic Jumper Diagram Full Version Hd Quality Jumper Diagram Diagramoldsx Babelemoda It

Diagram Nokia 1280 Schematic Diagram Full Version Hd Quality Schematic Diagram Diagrambank Esserevolontario It Diagram Nokia 1280 Schematic Diagram Full Version Hd Quality Schematic Diagram Diagrambank Esserevolontario It

All Nokia Ic Diagram Free Download Link Youtube All Nokia Ic Diagram Free Download Link Youtube

Diagram Nokia 1280 Schematic Diagram Pdf Download Full Version Hd Quality Pdf Download Filedlpkgmwiring Kharameil Fr Diagram Nokia 1280 Schematic Diagram Pdf Download Full Version Hd Quality Pdf Download Filedlpkgmwiring Kharameil Fr

Schematic 1280 So Do Nokia 1 Pdf Electrostatic Discharge Schematic 1280 So Do Nokia 1 Pdf Electrostatic Discharge

Ld 6884 Nokia Circuit Diagram Pdf Download Diagram Ld 6884 Nokia Circuit Diagram Pdf Download Diagram

Nokia 1280 Full Pcb Diagram Mother Board Nokia 1280 Full Pcb Diagram Mother Board

Download Nokia 1280 Schematic Diagram Pdf Full Quality Icecubz Funforgettables Lorentzapotheek Nl Download Nokia 1280 Schematic Diagram Pdf Full Quality Icecubz Funforgettables Lorentzapotheek Nl

Diagram Nokia 1280 Network Diagram Full Version Hd Quality Network Diagram Cbschematic2b Angelux It Diagram Nokia 1280 Network Diagram Full Version Hd Quality Network Diagram Cbschematic2b Angelux It

Download Compaq 1280 Seriesputer Schematic Diagram Manual Full Hd Pptdiagrams Bruxelles Enscene Be Download Compaq 1280 Seriesputer Schematic Diagram Manual Full Hd Pptdiagrams Bruxelles Enscene Be

Free Nokia 1616 Circuit Diagram Free Nokia 1616 Circuit Diagram

Diagram Nokia 1280 Mic Jumper Diagram Full Version Hd Quality Jumper Diagram Diagramoldsx Babelemoda It Diagram Nokia 1280 Mic Jumper Diagram Full Version Hd Quality Jumper Diagram Diagramoldsx Babelemoda It

Nokia 1280 Schematic Needed Gsm Forum Nokia 1280 Schematic Needed Gsm Forum

Diagram Nokia Mobile Schematic Diagram Full Version Hd Quality Schematic Diagram Diagrambalogk Italintumescenti It Diagram Nokia Mobile Schematic Diagram Full Version Hd Quality Schematic Diagram Diagrambalogk Italintumescenti It

No comments:

Post a Comment

Please drop comments align to post
Thanks a trillion