View Images Library Photos and Pictures. Amazon Com 683495 001 Hp 4440s 4540s Intel Laptop Motherboard S989 Computers Accessories Hp Probook 4540s Bios Bin Lab One Asus X540sa Repair Guide Hisahtech Limited Hp Probook 4510s Service And Maintenance Manual
. Hp Motherbord Hp 8460p Part No 642755 001 Laptop Motherboard Wholesale Trader From Delhi Hp Probook 4540s Schematic Sandun Tech Dell Inspiron Mini 1012 Schematic Diagram
Asus X540ma Rev 2 0 Bios Hisahtech Limited
Asus X540ma Rev 2 0 Bios Hisahtech Limited
Diagram Asus Laptop Parts Diagram Full Version Hd Quality Parts Diagram Schematicsagl Libreria Apogeo It
683493 001 683493 601 693168 001 55 4si01 039g System Board For Hp Probook 4540s 4440s 4441s Laptop Motherboard 100 Tested Ok Motherboard Test Motherboard 945gboard Study Aliexpress
Hp Probook 4440s 4540s 4740s Laptop Motherboard With Intel Core I3 Processor Cpu Wit Computers
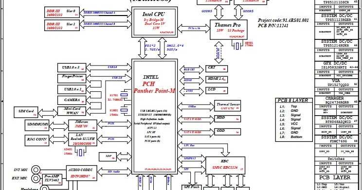
Hp Probook 4540s Schematic Sandun Tech
Diagram Cable For Hp Computer Diagram Full Version Hd Quality Computer Diagram Diagrampassable Nuitdeboutaix Fr
Laptop Repair Tips Max8732a Max8734a Ic Datasheet Download
Laptop Motherboard Service Manual Download Sharing Info Blog
Diagram Download Hp Dv6000 Schematic Diagram Full Hd Version Saygrafik Chefscuisiniersain Fr
Hp Probook 4510s Bios Bin Schematic ورشة صيانة الاجهزة الالكترونية
Hp Probook 4510s Pn Fn068ut Laptop Motherboard Schematic Diagram Telecommunications Electronics
Laptop Repair Tips Hp Probook 4540s Shcematic Download
Laptop Motherboard Service Manual Download Notebook Information
Solved I Need A Schematic Diagram For A Hp4540s Motherboard Fixya
Quickspecs Hp Probook 4440s 1s Notebook Pc Hp Probook 4540s
Asus X540sa Repair Guide Hisahtech Limited
Diagram Wiring Diagram For Hp Pavilion Full Version Hd Quality Hp Pavilion Pdfxelksl Fermobiologico It
Kocoqin Laptop Motherboard For Hp Probook 4440s 4540s 4740s 4441s Mainboard 683494 001 683494 501 11243 1 Slj8e 216 0833002 Mega Discount 2c9f9 Cicig
Diagram Cable For Hp Computer Diagram Full Version Hd Quality Computer Diagram Diagrampassable Nuitdeboutaix Fr
Hp Probook 4311s Schematic Hublot Discrete Mv Build Laptop Schematic
Hp Probook 4440s 4540s 4740s Laptop Motherboard With Intel Core I3 Processor Cpu Wit Computers
A67 68 Ford Fuse Box Diagram Wiring Diagram Library
3970 2003 Ford E350 Starter Wiring Wiring Library
Bios Schematic Schematic Hp Probook 4340s 4540s Wistron 2012 S Series Richie 13 3
Diagram Lenovo A6000 Schematic Diagram Full Version Hd Quality Schematic Diagram Diagrambowerm Chicosamba It
Diagram Download Hp Dv6000 Schematic Diagram Full Hd Version Saygrafik Chefscuisiniersain Fr
Diagram Hp Pavilion Wiring Diagram Full Version Hd Quality Wiring Diagram Cbschematic2b Angelux It



No comments:
Post a Comment
Please drop comments align to post
Thanks a trillion